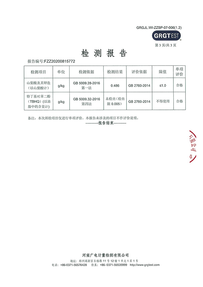
老式绿巨人黄品汇外检 发布时间:2021-03-02作者:来源:洛阳绿巨人污APP食品有限公司点击:4300 上一篇:食品安全管理体系认证证书 下一篇:营业执照 分享到:0 用手机看 拍下二维码,信息随身看 试试用微信扫一扫,在你手机上继续观看此页面。